Digitalisierung der Servo
Re: digitales ?
Servo Digital ... Sehr spannend ... Bin sehr daran interessiert ...
Re: Davic: Antwort aus Frankreich
und?lubomir hat geschrieben: Fr 8. Jan 2021, 15:49 Hallo in die Runde, das ist die Übersetzung von Davids Mail aus Frankreich:
Bonjour Michael,
Es ist eine Freude, mit jemandem in Kontakt zu sein, der sich für CARRERA SERVO einsetzt.(...)
schaltplan?
Servo 140 - weil ohne Lenkrad fehlt mir was.
Und zum Spass nebenbei Servo 140 digital mit PRO-X
Und zum Spass nebenbei Servo 140 digital mit PRO-X
Re: digitales ?
Hab neue Mail von David mit vielen technischen Klärungen. Saugeil!
Geht alles auch mit HiPower, auch Dualbetrieb mit analog möglich (z.B. alles digitale auf Spur B, alles analoge auf A...)
Er lebt im Burgund, würde evtl. gern auf Servotreffen kommen.
Ich werde ihn im Pfingsturlaub auf jeden Fall besuchen, da sind wir nur 80 km von ihm weg.
Setze am WE Übersetzung seiner Mail hier rein, hab grad schon wieder Megestress im Job...
Geht alles auch mit HiPower, auch Dualbetrieb mit analog möglich (z.B. alles digitale auf Spur B, alles analoge auf A...)
Er lebt im Burgund, würde evtl. gern auf Servotreffen kommen.
Ich werde ihn im Pfingsturlaub auf jeden Fall besuchen, da sind wir nur 80 km von ihm weg.
Setze am WE Übersetzung seiner Mail hier rein, hab grad schon wieder Megestress im Job...
------------------------------
...weil I fahr' Stock-CAR
Re: digitales ?
Whaaaaa, Leute wie Geil ist das!!!! Geht auch in 140... Super super bin sehr gespannt...
Wie mann hier in die Niederlände sagt, er zittert wie ein frisches Pferd fur den Kutsche
Wie mann hier in die Niederlände sagt, er zittert wie ein frisches Pferd fur den Kutsche
Re: digitales ?
Na schau mal. Und ich hatte noch vor einem Monat mit Micha telefoniert und wir hatten uns über den digital Kram unterhalten. Das du dich da jetzt so reinhängst ist echt klasse!
Weiter so!
Grüße aus m Rheinland
Weiter so!
Grüße aus m Rheinland
Könner fahren Carrera
Re: digitales ?
Hi Folks,
das hier habe ich an David geschrieben.
das hier habe ich an David geschrieben.
Ausserdem habe ich ihm noch eine viele Fragen gestellt. Seine Antwort auf meine Mail und meine Fragen könnt Ihr in den nachfolgenden Posts lesen.Hallo David,
entschuldige die späte Antwort.
Das Video von Dir ist aus mehreren Gründen sensationell und inspirierend! Nicht nur Deine Digitaltechnik und der Funkregler sind klasse, auch Deine Kurvenidee ist es.
Ich habe Deine Mailantwort übersetzt und im Forum gepostet viewtopic.php?p=40507#p40507.
In einem Extrapost auch den Link zu deinem Video viewtopic.php?p=40506#p40506.
In welchem Teil Frankreichs lebst Du? Meine Frau und ich machen dort gerne Urlaub, vorzugsweise im Midi, im Burgund oder im Perigord.
Community
In Deutschland gibt es eine gewachsene Carrera-Servo Community.
Wir treffen uns offiziell 2x im Jahr in 34576 Homberg an der Effze. Hier ein Film dazu:
https://www.youtube.com/watch?v=W4vaJ0irCqE
Diese Treffen werden von mir organisiert, es nehmen zwischen 25 und 40 Leute teil. Im Winter wird ein Turnier gefahren, im Sommer ist es eher gechillt mit Spaßwettbewerben im Garten. Wir hoffen derzeit noch, dass das nächste Treffen im Sommer 21 wieder stattfinden kann, ich fürchte aber, dass es erst im Herbst 21 oder Winter 22 richtig klappen wird.
Daneben gibt es im Herbst noch regionale Treffen in 49477 Ibbenbühren und in 94081 Fürstenzell bei Passau.
Wenn Du und Olivier zu einem der Treffen kommen möchtet, wäre das eine tolle Sache.
Fotos zu Homberg und Passau findest Du hier: http://www.rufus-race.de/treffen/
Entwicklungen zu Servo in Deutschland
Rufus-race.de gehört Sven Ruf, einem Feinmechaniker und höchst ambitionierten Servo-Freak. Auch er hat viele tolle Ideen realisiert, die dir sicher gefallen werden, z.B. hier
http://www.rufus-race.de/gtl/ oder hier http://www.rufus-race.de/spezial/
Auch Helmut Schieve hat coole Dinge erfunden, seine STZ ist vielfach im Einsatz: https://www.servospeedway.de/Basteleien ... chnik.html
Stefan Pirkl hat selbstlernende Hindernisfahrzeuge programmiert. Dazu hier ein Film, den wir in unserem Servo-Keller aufgenommen haben: https://www.youtube.com/watch?v=FsPaarMz0xc. (Der Mensch mit dem Bier bin ich…). Hier eine weitere Evolutionsstufe auf unsere aktuellen Bahn: https://www.youtube.com/watch?v=CuwQt0G8eNc bzw. auf seiner S140 Holzbahn https://www.youtube.com/watch?v=KiDhOZDL4KU. Hier wurde die von Stefan konzipierte Technik in einem 160er-Truck implementiert viewtopic.php?p=40330#p40330
Zu mir
Ich bin Baujahr 1966, seit 1978 S132 Fahrer und seit den 1990ern auch Sammler.
Zum Fahren und Arbeiten an den Autos haben ein Freund und ich in den Servo-Keller in München gemietet. Dort haben wir eine große S132 aufgebaut, lagern Rennbahnteile ein verfügen über zwei 2 Bastelplätze. Wir treffen und dort 1x pro Woche.
Mit wieviel Volt fahren wir?
Allgemein werden umgerüstete Trafos mit geglätteter Spannung mit bis zu 35 V verwendet. http://www.rufus-race.de/spezial/trafobox/
Regelbetrieb bei 2 Autos 25-28 Volt. Hinderniswagen mit gesondertem Trafo. Als Regler haben wir Parma (oder ähnliche) umgebaut und mit Lenkrädern ausgestattet. Bei dieser Art zu fahren sind 20V bei der S132 etwas langsam, wobei ich Dir recht gebe: bei 4-6 Fahrzeugen auf der Bahn braucht es nicht mehr, sonst herrscht nur Chaos. Optimalerweise sollte beides möglich sein.
Ich bin am Einsatz von Davic auf unserer Bahn und auf den Deutschlandtreffen interessiert…
------------------------------
...weil I fahr' Stock-CAR
Re: digitales ?
Das war Davids Antwort auf meine Mail....
Hallo Michael,
Ich würde mich sehr freuen, wenn Du mich besuchen würdest. Dein Urlaubsort im Burgund trifft sich gut, denn ich lebe dort! 20km von Auxerre.
In Frankreich gibt es nichts zu der CARRERA SERVO. Weder Club noch Fahrer.
Wenn es große klassische Slot-Rennen gibt (24H, Meisterschaft), installiere ich immer einen SERVO-Kurs, damit die Leute diese Art von Rennbahn entdecken oder wiederentdecken können.
Ich habe diese Kurve gemacht, weil die Leute, die die SERVO testen, es gewohnt sind, Slot-Cars oder RC-Autos zu fahren und sie immer durch die Tatsache verwirrt sind, dass man auf den Außenkurven schneller ist, indem man an der Leitplanke entlang fährt. Dies steht im Widerspruch zur Realität. Bei meiner Art von Kurve müssen Sie immer etwas riskieren, um schneller zu fahren, und es gibt mehr Fahrer die versuchen, auf der Aussenkurve im Drift zu überholen. Das entspricht der Realität und ist viel schöner zu sehen. Außerdem können wir Kurven mit einem großen Radius erstellen, was bei Standardkurven nicht möglich ist (nur 2 Arten von Radien).
Ich habe in der Tat drahtlose Griffe gemacht (während des 1. Überarbeitung des Systems!), es war eine Anfrage, die mehrere Jahre zurückliegt. Es ist sehr praktisch, um entlang der Strecke Autos einzusetzen, wenn Sie nicht viele sind.
Danke für die Links zu den Videos.
Ich hatte schon einige von ihnen gesehen und deshalb habe ich Olivier gebeten, eine Nachricht ins Forum zu stellen, um zu versuchen, mit Ihnen in Kontakt zu treten.
Da es aber keine Nachfrage gab, sagte ich mir, dass es niemanden interessiert und habe das nicht weiter verfolgt.
Bis 2018 gibt es Videos zu Euren Meisterschaften 160, 140 und 132, seitdem habt Ihr keine mehr gemacht?
Über mich:
Ich bin 1969 geboren und fahre seit 1980 Servo.
Ich bin 10 Jahre lang viel mit einem Freund (Victor, daher der Name DAVIC: DAVid und VICtor) gefahren, bevor ich einen Club für klassischen Slot kennenlernte (Versailles in Paris). Und deshalb habe ich die Digital DAVIC für klassische Slotbahnen entwickelt, um Sie dann auch für die Servo zu adaptieren (1. Test 1991).
Dann habe ich viele Wettbewerbe in Slot classic und Digital bestritten (Vize-Europameister F1 Scalextric 1997, Europameister Digital Endurance 2005 und viele Siege bei 24H-Rennen).
Ab 2010 habe ich eine Version der DAVIC erstellt, die auf SERVO verwendbar ist.
Wovon ich immer geträumt habe, ist, mit mehreren Teams Langstreckenrennen auf SERVO zu fahren. Wir könnten zum Beispiel ein 3h- oder 6h-Rennen mit 6 oder 8 Teams zu je 2 Fahrern starten.
Was bis jetzt noch nie passiert ist!
Natürlich bin ich daran interessiert, an einem Eurer Treffen teilzunehmenund Olivier auch. Es wäre eine Gelegenheit, eine mit dem DAVIC ausgestattete Strecke zu installieren, damit Ihr sie testen könnt. Kein Problem, auch die Holzkurven mitzubringen.
Homberg ist ca 140km von Frankfurt entfernt?
------------------------------
...weil I fahr' Stock-CAR
Servo Digital Davic Klärung erster Fragen, was brauchts, Parallelbetrieb digital-analog
...und das waren meine Fragen und "in den zitierten Feldern" seine Antworten dazu:
1.
Stellst Du das System noch her?
Bei der Ansicht deines Films habe ich festgestellt, dass Du für den Strom nur die äußeren Leiter nutzt. Sehr interessant wäre für mich ein Kombibetrieb analog und digital, weil wir im Servo-Keller oft Besuch bekommen und natürlich auch auf den Treffen nicht alle mit Digitaldecoder erscheinen können.
Analoge Autos könnten die Stromabnehmer innen nützen, die digitalen außen. Wäre das möglich?
a.
Muss ich an den normalen Schienen etwas ändern?
Wir haben zum Beispiel zusätzliche Stromversorgungen in München und bei den Meetings. Können sie installiert bleiben?
Reicht es, neben der Umrüstung der Autos einfach nur die Anschlussstücke auszutauschen?
Kann ich analoge und digitale Anschlüsse zusammen verwenden, oder wird etwas in den Decodern oder Davic durchbrennen, wenn versehentlich analoge Spannung hinzugefügt wird?
1.
Stellst Du das System noch her?
2.Ja, immer noch. Ich habe so viele Bestellungen, dass ich mit einer DAVIC-Site nicht weiterkomme. Es gibt zwar eine DAVIC-Seite "davic.fr", die aktiv ist, aber ich finde keine Zeit, sie zu füllen....
Bei der Ansicht deines Films habe ich festgestellt, dass Du für den Strom nur die äußeren Leiter nutzt. Sehr interessant wäre für mich ein Kombibetrieb analog und digital, weil wir im Servo-Keller oft Besuch bekommen und natürlich auch auf den Treffen nicht alle mit Digitaldecoder erscheinen können.
Analoge Autos könnten die Stromabnehmer innen nützen, die digitalen außen. Wäre das möglich?
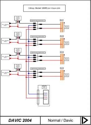
3.Ja, das ist möglich, der einfachste Weg ist, einen Unterbrecher zwischen die Fahrbahn und die DAVIC- oder analoge Stromversorgung zu setzen (Diagramm im Anhang). Alle Clubs sind auf diese Weise ausgestattet. Die Spuren können entweder analog oder digital verwendet werden.
Hier wären also die Innenleiter ständig analog und die Außenleiter entweder analog oder digital.
a.
Muss ich an den normalen Schienen etwas ändern?
b.Nein, an den normalen Schienen gibt es nichts zu tun. Für die Rundenzählung muss nur eine Schiene umgebaut werden (Foto im Anhang).
Wir haben zum Beispiel zusätzliche Stromversorgungen in München und bei den Meetings. Können sie installiert bleiben?
c.Ja, indem Ihr über den Schalter geht, der den Modus auswählt.
Reicht es, neben der Umrüstung der Autos einfach nur die Anschlussstücke auszutauschen?
d.Es ist notwendig, einen Decoder in den Wagen einzubauen, die DAVIC-Hauptbox anzuschließen (über den Schalter, der den Modus wählt) und kompatible Drücker zu verwenden (Modifikation der originalen Drücker, z.B. Foto anbei).
Ihr könnt auch einen Drücker des Typs "PARMA 45 Ohm" verwenden, indem Ihr einen Schalter zum Wechseln der Spuren einbaut. Spurwechsel erfolgt dann per Taster.
Oder Ihr verwendet Drücker wie ich (kabelgebunden oder drahtlos)
Kann ich analoge und digitale Anschlüsse zusammen verwenden, oder wird etwas in den Decodern oder Davic durchbrennen, wenn versehentlich analoge Spannung hinzugefügt wird?
Und, wollt Ihr weitere Fotos oder habt Ihr Fragen?Ihr könnt ein analoges und ein digitales Auto nicht auf denselben Stromschienen betreiben, denn da die Spannung im digitalen Bereich konstant ist, würde das analoge Auto ständig fahren.
Lasst es mich wissen, wenn Ihr Fotos zu bestimmten Punkten wünscht.
------------------------------
...weil I fahr' Stock-CAR
